Header image  

""

 

 

 
 
 
 

" "

1991 . . . , . MX.

. :
- - 2 ;
- - 512 ;
- - 48 ;
- - 384 256 .
, , ( "Centronics"), 16 - . . , 555 (1533), (5655 / 7, 5732 / 4).

, . . , 58080 (0000H...FFFFH) , ( - , FFC0H...FFDFH , FFE0H...FFFFH ) 64 . 48 (0000H...BFFFH). 6 BIOS RAMFOS V5.3 ( *.pdf Adobe Acrobat 9). 10 , , , . 32 ROM - . , MX 1 8 RAM - . - 64 . RAM ROM - RAMFOS. " " - 64 , RAM - - 64 ROM - RAMFOS - 16 . " RAMFOS .

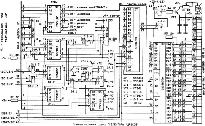
(. ). , , . . " ". 70 130 .

U7- 6 DD44 , 4 DD5;
- 1 DD49, DD50, 12 DD45;
VA- 2, 15 DD51, DD14;
PZU - 24, 21. +5 . - 24, 21Ѡ;
V1, V2, V3 - 5656 (3), DD14, DD19.1. RAM - 48 . 5655, ( 15) VR, a V1, V2, V3 ;
V5 - 15, 5655, 5655 . . " " . , , . RAMFOS ROM - .

. D4/9 "1". D4/8 "0", VT1, VT2 - ROM - . "". FFFCH, RAM / ROM - . (0000H...FFDFH) - D9/6 "0", /CAS . FFE0H...FFFFH DD (. ). FFFDH 0 7 RAM - ( "0" D9/6, /CAS RAM - ). FFFEH ROM - (. ).

__

" " .

. , .

. . .

() ( - ) zx.pk.ru - ( ).

 

58053

58053 - . . - . ( , , ) .

C0C2 2 , G0G2 - . . : , .
:
0 - - , , (OUT0OUT2) . (G0G2) , . , , , .
1 ( , ). , , (G0G2). .
2 n. (n-1)*Tin, - Tin. .
3 n. n (n/2)*; n (n+1)*/2, (n-1)*/2.
4 , , . G 0.
5 , , . (G0G2) , .

D0...D7 - ;
A0, A1 - , ;
C0, C1, C2 - 0, 1, 2;
G0, G1, G2 - , ( 0, 1 2) ;
OUT0, OUT1, OUT2 - 0, 1 2;
/RD - ;
/WR - ;
/CS - ;
VCC - +5 ;
GND - .

     
     
This site is © Copyright Fifan 2007-2025, All Rights Reserved.